
閥體材質:黃銅 、不銹鋼SS304
密封材料:丁腈橡膠NBR、三元乙丙膠EPDM、氟橡膠VITON
環境溫度:-5~80℃、0-130℃
工作電壓:AC220V、DC24V
工作型式:分步直動式
工作壓力:0-10bar、DC24V(0-6bar)AC220V(0-10bar)
公稱口徑:DN15-50
連接方式:內螺紋、法蘭
兩位兩通直動膜片式電磁閥、法蘭連接、電磁閥通電打開,斷電關閉,零壓差啟動,廣泛用于管路液體及氣體的自動控制。
膜片式電磁閥產品介紹:
直拉膜片式電磁閥是在低壓或無壓狀況通過電磁吸力來提升膜片來開閉閥口,因此,在無壓力或低壓狀況下需要用此類電磁閥;膜片式電磁閥廣泛應用于:各種管道、水處理、天然氣、電力、化工、石化、石油、造紙、采礦、食品、市政、機械設備配套、電子工業、城建等領域。
直動膜片式電磁閥結構特點:
采用膜片式結構、對介質潔凈度要求較低閥門流量系數比普通閥提高10%采用特殊密封結構和進口合成橡膠密封無泄漏工作平穩噪音低、無水錘沖擊、無顫抖聲液體、氣體、可混合使用,更加提高電磁閥的使用范圍采用進口合成橡膠密封壽命長是同類產品的5倍以上、經受二十年長期市場考驗。
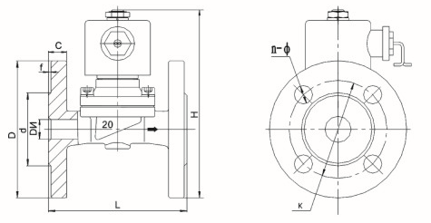
膜片式電磁閥規格尺寸:

| 產品型號 | PN=1.6MPa GB/T9113.1-2000 法蘭連接規格尺寸(mm) | ||||||||
| DN | L | D | H | K | d | C | n-φ | 材質 | |
| TM04-15 | 15 | 106 | 95 | 141 | 65 | 45 | 14 | 4-φ14 | 304 |
| TM04-20 | 18 | 106 | 105 | 143 | 75 | 56 | 16 | 4-φ14 | 304 |
| TM04-25 | 25 | 135 | 115 | 166 | 85 | 65 | 16 | 4-φ14 | 304 |
| TM04-32 | 32 | 142 | 140 | 204 | 100 | 76 | 18 | 4-φ18 | 304 |
| TM04-40 | 40 | 149 | 150 | 217 | 110 | 84 | 18 | 4-φ18 | 304 |
| TM04-50 | 50 | 184 | 165 | 227 | 125 | 99 | 20 | 4-φ18 | 304 |
| TM04-32 | 32 | 140 | 140 | 198 | 100 | 76 | 18 | 4-φ18 | 黃銅 |
| TM04-40 | 40 | 150 | 150 | 211 | 110 | 84 | 18 | 4-φ18 | 黃銅 |
| TM04-50 | 50 | 186 | 165 | 234 | 125 | 99 | 20 | 4-φ18 | 黃銅 |
膜片式電磁閥產品優勢:
提供全套工程電磁閥門解決方案,膜片式電磁閥售前、售中、售后專業服務!
質量可靠:實行全過程質量監控,細致入微,全方位檢測!
價格合理:高效內部成本控制,減少了開支,讓利于客戶!
交貨快捷:完備的生產流水線,充足的備貨,縮短了交貨期!
膜片式電磁閥安裝與維護
1、安裝時應注意閥體上箭頭應與介質流向一致,不可裝在有直接滴水或濺水的地方,膜片式電磁閥應水平安裝線圈垂直向上安裝。
2、膜片式電磁閥安裝前應徹底清洗管道,通入的介質應無雜質,閥前裝過濾器。
3、膜片式電磁閥應保證在電源電壓為額定電壓的15%-10%波動范圍內正常工作。
4、膜片式電磁閥安裝后,管道中不得有反向壓差,并需通電數次,使之適溫后方可正式投入使用。
5、接管時注意,密封材料不可使用過量,如螺紋連接時,接管外螺紋長度不可超過膜片式電磁閥內螺紋的有效長度,并在外螺紋前端半螺距處用銼刀倒棱,自螺紋2牙處開始纏繞密封帶,否則過量的密封帶或粘結劑殘渣進入膜片式電磁閥的內腔會引起故障。
6、當膜片式電磁閥發生故障或清洗時,為保證系統繼續運行,應安裝旁路裝置。
溫馨提示:
本文中所有文字、數據、圖片適用于參考,需要查看更多的直動膜片式電磁閥性能參數、結構尺寸、價格等詳情請聯系我們。

不銹鋼膜片式水用電磁閥是在低壓或無壓狀況通過電磁吸力來提升膜片來

不銹鋼水用電磁閥規格型號齊全,結構標準品質上乘,值得信賴,精度高

兩位兩通黃銅水用電磁閥品牌,黃銅空氣用電磁閥其特點為流量大零壓差啟動

不銹鋼水用電磁閥零壓差啟動,兩位兩通直動式膜片電磁閥其特點為流量大