美國HITEC-SAI Mod11048多維力傳感器
-
分類:多維/拉扭復合傳感器
型號:
品牌:
瀏覽:
專線:400-877-3100
- 立即訂購400-877-3100
-
產品詳情
-
聯系我們
SDI拉扭復合傳感器設計用于同時測量扭矩(Mz)和推力(Fz)的雙分量傳感器,并提供兩個單獨的輸出。
傳感器可以進行串擾補償,消除了離軸加載效應。
該傳感器的堅固結構和元件設計使其能夠承受顯著的外力(見無關載荷方程)。
提供各種量程和尺寸。
具體請咨詢我們的應用工程師
Capacities ........................
500 in-lbs (Mz) / 500 lbs (Fz)
2500 in-lbs (Mz) / 5000 lbs (Fz)
2500 in-lbs (Mz) / 2500 lbs (Fz)
4000 in-lbs (Mz) / 4000 lbs (Fz)
10000 in-lbs (Mz) / 20000 lbs (Fz)
Overload capacity........................ 150% F.S. both axes
Output at full scale load..................... 2.0 mV/V nominal
Non-linearity............................................. 0.10% of F.S.
Hysteresis................................................... 0.10% of F.S.
Zero balance............................................... +/-1% of F.S.
Compensated temperature.......................... 70 to 170°F
Useable temperature................................. -65 to +250°F
Temperature effect on zero................. 0.002% of F.S./°F
Temperature effect on span............. 0.002% of Rdg./°F
Bridge resistance.................................... 700/350 Ohms
Excitation voltage, maximum.............................. 20 Vdc
Material........................................................ Alloy steel
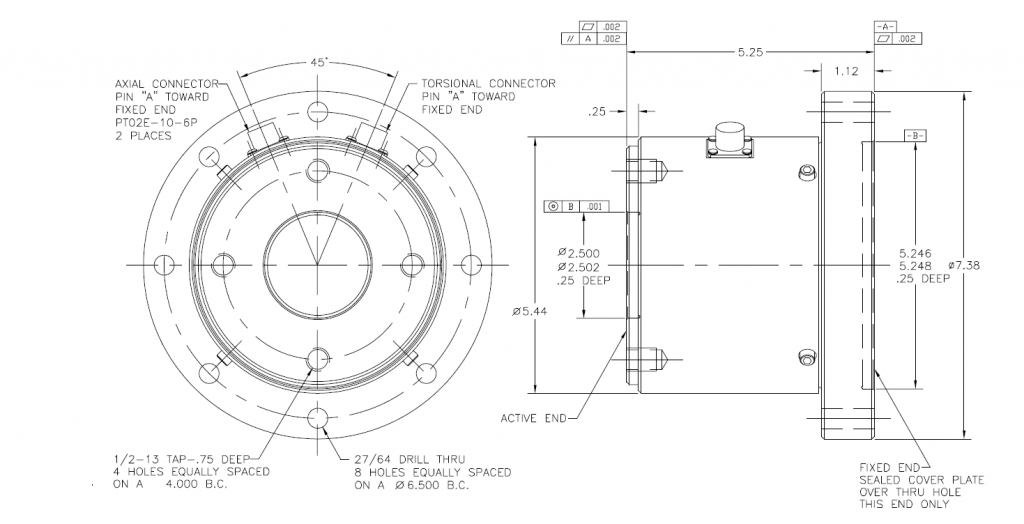
尺寸圖紙








滬公網安備 31011402003414號